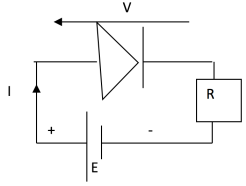
IV.1 Détermination du point de polarisation (ou point de fonctionnement) de la jonction

Résolution d'1 système à 2 équations, 2 inconnues :
3 solutions de résolution :
Méthode : 1- méthode approchée (la plus utilisée en circuit (notamment quand on ne connait pas Is)
On approxime la tension aux bornes de la diode à une tension appelée tension de seuil.
On considère que :
si , diode bloquée, .
si la diode est passante, quel que soit .
Donc pour une diode au silicium.
Méthode : 2- méthode analytique par approximations successives
Elle est plus précise que la précédente mais nécessite de connaitre le courant de saturation de la diode.
Je considère que .
Donc .
Donc .
Donc .
Donc .
J'ai convergé. On a et .
Méthode : 3- méthode graphique
Je trace les 2 équations du sytème à résoudre et, à leur intersection, se trouve le point de fonctionnement:
